2.6x单光谱制版镜头

品牌 紫晶PCOT
型号 PT-UV1026
物方尺寸 21mm X 11 mm
放大倍率 2.6X
产品特点 产品具有衍射极限的成像质量、高分辨力、大视场、小畸变、高性能等优势。
应用领域 适用于微电子生产投影式光刻机等制作工艺。
产品介绍
产品参数
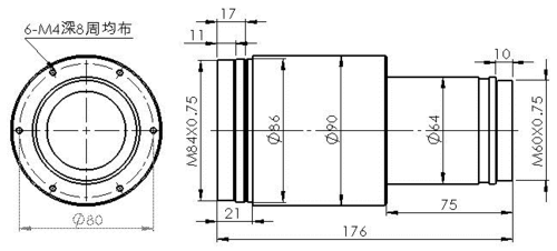
尺寸图


光刻物镜是微电子生产投影式光刻机的核心部件,随着微电子生产工艺不断向微细化、集成化发展,对光刻镜头的要求越来越高。


要求具有衍射极限的成像质量、高分辨力、大视场、小畸变,其性能直接决定了光刻机的图形传递能力。


制造光刻镜头除了设计出一个成像完善的光学系统和精选优质的光学玻璃外,关键在于光学加工、结构设计装配以及相关的测试技术等。


基本参数:

1. 物方尺寸: 21mm X 11 mm

2. 放大倍率: 2.6X

3. 像方尺寸: 54.6mm X28.6mm

4. 物,像远心光路

5. 物方工作距离: >70mm <90mm

6. 像方工作距离: > 150 mm

7. 设计波长范围: 395~ 415 nm

8. 透过率: > 80% @ 405nm



其他要求:

1. 最大外径: < 100 mm

2. 透镜长度: < 180 mm

3. 中间固定螺孔为: 6-M4 X8圆周均布,Φ80

4. 两端螺纹为: M84X0.75 长度11mm;M60X0.75 长度10mm

5. 镀增透膜波长范围: 350nm ~ 450nm

6. 物像共轭距: < 440 mm




2.6比1图纸.png

E-mail: fuyeyi@glopro.com.cn
地    址:云南省昆明市西山区海口街道光谷孵化园区
紫晶光学
010-88470008